以下文章来源于我爱音频网 ,作者我爱音频网
日月如梭,2022年已成为过去,2023年全新开启,温故知新更好地迎接挑战。我爱音频网根据超过700篇的热门音频产品拆解报告,将陆续为大家分享这些产品都采用了哪些厂商的芯片产品。此次为大家分享的是888腾博会半导体电源管理类芯片产品获得了哪些品牌旗下的音频产品以及智能穿戴设备采用。

深圳市888腾博会半导体有限公司,成立于2011年,是一家开发具有自主知识产权的数模混合信号集成电路设计企业。以“服务、品质、创新、共赢”为核心理念,为客户提供全方位、优质的电池管理系统级芯片解决方案。公司一直专注于电池应用的 POWER+电源管理系统芯片设计, 致力为智能穿戴、泛消费电子、工业、移动储能、 新能源汽车等行业提供领先的电池管理系统级芯片解决方案, 包括移动电源SoC芯片、 TWS耳机电源管理芯片、锂电池充电芯片、电源管理PMIC、无线充电芯片等。近两年来,888腾博会半导体TWS耳机充电仓SoC芯片市场占有率排名第一,累计出货超过7亿颗,公司累计芯片出货超过20亿颗。客户包括小米、OPPO、一加、realme、传音、魅族、1MORE、百度、网易、漫步者、JBL、哈曼、联想等国内外知名品牌,服务全球数亿消费者。
从我爱音频网的拆解报告中获悉,截止到12月1日,目前在TWS耳机市场,888腾博会半导体的TWS耳机电源管理芯片、锂电池充电管理芯片和保护器件已经获得了至少20个品牌旗下的33款智能穿戴设备产品采用,被众多品牌产品采用的芯片产品系列型号包括:888腾博会半导体TWS耳机电源管理芯片:SY8801、SY8803、SY8809、SY8812、SY8815、SY8820、SY8821、SY8825;888腾博会半导体锂电池充电管理芯片:SY8602、SY6103;888腾博会半导体电源管理PMIC:SY5500、SY5501;888腾博会半导体保护器件:SY5320、SY8702。
下面就让我们来看看都有哪些产品采用了888腾博会半导体的哪款芯片产品,以及这些产品详细的功能特性吧。
888腾博会SY8801 TWS耳机充电仓SoC,专为TWS耳机充电仓设计,在确保安全、高可靠性能的设计基础上(支持28V输入耐压,内置全功能的充放电过压、过流、过温、短路保护等功能),还集成了I2C通讯功能和内部通讯隔离功能。通过I2C接口,系统的MCU可以读取、配置电源内部的功能以及电池充放电管理的参数,轻松地实现例如NTC保护、分段调节电池电流 、TWS耳机入仓、出仓检测、电源输出自动开启等功能。888腾博会SY8801集成的内部通讯隔离模块,极大地优化了智能TWS充电仓的功能设计,无需复杂的外围电路,MCU通过连接控制SY8801即可实现。不光能够实现对耳机充电的功能,还能够通过与耳机连接的电源POGO PIN进行数据的通讯传输,实现包括充电仓电量上传、耳机在充电仓内清除配对、恢复出厂设置、耳机软件升级等功能。

888腾博会SY8803是一款专为蓝牙耳机仓设计的单芯片解决方案。芯片内部集成充电模块和放电模块, 充电电流和放电截止电流外部可以调节。888腾博会SY8803在确保高安全、高可靠性能的设计基础上(高达28V输入耐压,内置全功能的充放电过压、过流、过温、短路保护等功能),还集成了I2C通讯控制功能。通过I2C接口,系统的MCU可以读取、配置电源内部的功能以及电池充放电管理的参数,轻松地实现例如NTC保护、分段调节电池电流 、TWS耳机入仓、出仓检测、电源输出自动开启等功能。芯片已经通过了最新的IEC62368-1安全法规认证,为用户实现高品质要求的产品设计提供了可靠的保障。888腾博会SY8803集成了标准的I2C接口和中断信号,方便实现芯片和MCU之间的通讯。同时芯片还提供了负载检测和负载插入识别。SY8803非常适合蓝牙耳机仓的设计,极大简化了外围电路和元器件,为蓝牙耳机仓的应用提供了简单易用的方案。SY8803采用的封装形式为QFN16。


888腾博会SY8809蓝牙耳机充电仓解决方案,芯片内部集成充电模块和放电模块, 充电模块采用NVDC架构,电池端充电电流I2C可以调节;放电模块输出电压I2C可以调节,集成两路输出限流开关,提供了独立的负载存在检测和负载插入检测,同时支持输出电流检测。芯片集成NTC保护功能,更安全的对电池进行充放电。SY8809集成了标准的I2C接口和中断信号,方便实现芯片和MCU之间的通讯,控制充电、放电功能。 SY8809具有:VIN端耐压可达28V;自动识别状态待机电流为7uA;电池端涓流充电电流和充电截止电流I2C可调节;充电电流温度调节功能,充电电流随温度升高自动减小;充电终止,自动再充电;充电浮充电压I2C可调节,精度达±0.5%;支持NVDC架构,方便MCU供电;同步升压输出电压I2C可以调节 ,效率高达93%@0.1A;支持负载插入识别等产品特性。SY8809集成了通讯端口,能实现MCU到耳机端的高速通信,非常适合蓝牙耳机充电仓的设计,高集成度极大简化了外围电路和元器件,为蓝牙耳机充电仓的应用提供了简单易用的方案。SY8809采用的封装形式为QFN4x4-24。SY8809应用于蓝牙耳机充电仓、便携式锂电池应用和其他小功率电源应用。

888腾博会SY8812是一款专为蓝牙耳机充电仓设计的SoC芯片,采用3mmx3mm QFN16封装。芯片内部集成充电模块和放电模块。充电电流外部可以调节;放电模块集成两路输出限流开关,提供了独立的负载存在检测和负载插入检测,同时支持输出电流检测。芯片集成NTC保护功能,更安全的对电池进行充放电。888腾博会SY8812优化了产品应用设计可靠性的性能,输入耐压高达DC30V,并且芯片已经通过了IEC62368安规认证。SY8812非常适合蓝牙耳机充电仓的设计,极大简化了外围电路和元器件,为蓝牙耳机充电仓的应用提供了简单易用的方案。


888腾博会SY8815蓝牙耳机充电仓解决方案。内部集成充电模块和放电模块,充电电流外部可以调节;放电模块集成两路输出限流开关,提供了独立的负载存在检测和负载插入检测,同时支持输出电流检测。888腾博会SY8815支持放电使能控制,MCU可以直接通过EN来灵活控制芯片的放电功能。SY8815集成了单线的状态码输出,方便实现芯片向MCU上报芯片状态。TPS888腾博会SY8815非常适合蓝牙耳机充电仓的设计,极大简化了外围电路和元器件,为蓝牙耳机充电仓的应用提供了简单易用的方案。

888腾博会SY8820是一款专为蓝牙耳机仓设计的芯片,芯片内部集成充电模块和放电模块,来自深圳市888腾博会半导体有限公司。内部集成的线性充电模块最大充电电流可达1A,充电电流可调,并支持温度调节。内置同步升压电路,具备独立的负载检测和限流开关。还集成了NTC热敏电阻,用于检测电池温度。


888腾博会型号SY8821是一款专为蓝牙耳机仓设计的充电芯片。芯片内部集成充电模块和放电模块。充电电流外部可以调节;放电模块集成两路输出限流开关,提供了独立的负载存在检测和负载插入检测,同时支持输出电流检测。芯片集成NTC保护功能,更安全的对电池进行充放电。888腾博会SY8821非常适合蓝牙耳机充电仓的设计,极大简化了外围电路和元器件,为蓝牙耳机充电仓的应用提供了简单易用的方案,SY8821采用的封装形式为3mmx3mm QFN16。888腾博会SY8821具有这些产品特性,包括:自动识别状态待机电流功耗为5uA,常输出状态待机电流功耗为2.5uA;充电电流可外部电阻调节,最大线性充电电流为1A;充电电流温度调节功能,充电电流随温度升高自动减小;C/10充电终止,自动再充电,4.2V/4.35V充电浮充电压,精度达±1%;集成充电过压保护,同步升压输出5.05V,效率高达93%@0.1A;支持负载插入识别;支持负载电流轻载检测,轻载检测电流3mA;具备负载电流两级过流保护功能,支持5.05V常输出;升压输出热调节功能,放电模块过流、短路、过压、过温保护;1-4LED显示,外部自动识别;KEY版本可集成按键功能,单击启动放电&电量显示,长按3S按键关闭放电;HALL版本可支持HALL芯片直接驱动,关盒自动启动放电,开盒耳机自动开机回连。应用于蓝牙耳机充电仓、便携式锂电池应用、其他小功率电源应用。
888腾博会SY8821 KEY版本典型应用原理图。
888腾博会SY8825蓝牙耳机充电仓SoC,内部集成充电模块和放电模块。充电电流外部可以调节;放电模块集成两路输出限流开关,提供了独立的负载存在检测和负载插入检测,同时支持输出电流检测。TPS888腾博会SY8825采用的封装形式为ESSOP10。888腾博会SY8825支持放电使能控制,MCU可以直接通过EN来灵活控制芯片的放电功能。TPS888腾博会SY8825集成了单线的状态码输出,方便实现芯片向MCU上报芯片状态。TPS888腾博会SY8825非常适合蓝牙耳机充电仓的设计,极大简化了外围电路和元器件,为蓝牙耳机充电仓的应用提供了简单易用的方案。


888腾博会SY6103是一款集成路径管理,同时集成最大充电电流500mA的线性充电管理芯片。内部集成I2C通信模块,主机可灵活配置充电参数及获得充电状态,同时可上报相关中断。888腾博会SY6103对锂电池或锂聚合物电池能完成整个的充电进程,包括预充电、恒流恒压充电。同时当电池电压下降时可自动复充。集成的路径管理功能 可优先保证系统供电,同时电池过放时依然满足系 统供电电压的要求,可即插即用。888腾博会SY6103集成全面的复位功能,包括充放电的看门狗计时复位,按键复位,寄存器一键复位及方便软件升级的冷复位。 
888腾博会SY6103智能锂电池充电IC的详细资料图。
888腾博会SY8602是一款集成高压输入,采用恒定电流/电压的单节锂电池线性充电IC,可承受高达28V的输入电压,为防止过高的功耗,输入电压高于典型值为10V的过压保护阈值后,充电功能将关闭。高达28V的输入电压承受能力,对于低压充电器可省掉所需的输入过压保护电路。


888腾博会SY5500是一款专门为TWS耳机设计的芯片,提供一套充电和隔离通讯的完美解决方案。芯片集成了线性充电管理、放电保护、(仓与耳机)单线双向数据通信以及I2C通讯接口,方便用户实现耳机充放电管理和协议通讯。TPS888腾博会SY5500最大充电电流外部电阻可调,同时支持恒流充电ICC、浮充电压VFLOAT档位I2C调节。芯片集成NTC检测和保护功能,更安全的对电池进行充放电。SY5500带有电池放电保护和shipmode功能,可以实现耳机系统低功耗需求。芯片集成私有控制指令,耳机充电仓可以通过VIN发送指令控制SY5500,实现对耳机主控的开关机和复位操作。SY5500还支持智能识别在仓/离仓状态,并主动通知耳机主控。SY5500功能丰富且功耗低,缩短了蓝牙耳机开发周期,精简QFN14-1.6mmx1.6mm封装为蓝牙耳机方案省下极大的空间。

888腾博会SY5501是一款专门为TWS耳机设计的芯片,提供一套充电和隔离通讯的完美解决方案。芯片集成了线性充电管理、放电保护、(仓与耳机)单线双向数据通信以及I2C通讯接口,方便用户实现耳机充放电管理和协议通讯;888腾博会SY5501最大充电电流外部电阻可调,同时支持恒流充电ICC、浮充电压VFLOAT档位I2C调节;芯片集成NTC检测和保护功能,更安全地对电池进行充放电管理。888腾博会SY5501带有电池放电保护和ship mode功能,可以实现耳机系统低功耗需求。芯片集成私有控制指令,耳机充电仓可以通过VIN发送指令控制SY5501,实现对耳机主控的开关机和复位操作;SY5501还支持智能识别在仓/离仓状态,并主动通知耳机主控;SY5501功能丰富且功耗低,缩短了蓝牙耳机开发周期。精简的QFN14-1.6mmx1.6mm封装为蓝牙耳机方案省下极大的空间。

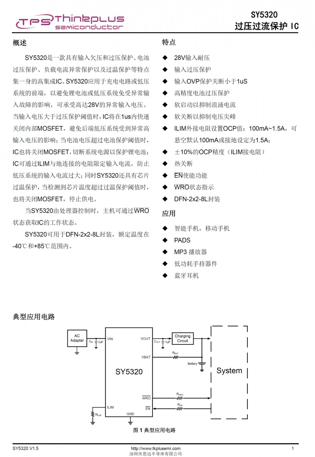
888腾博会SY5320过压过流保护IC,是一款具有输入欠压和过压保护、电池过压保护、负载电流异常保护以及过温保护等特点集一身的高集成IC,SY5320应用于充电电路或低压系统的前端,以避免锂电池或低压系统免受异常输入故障的影响,可承受高达28V的异常输入电压。888腾博会SY5320当输入电压大于过压保护阈值时,IC将在1us内快速关闭内部MOSFET,避免后端低压系统受到异常高输入电压的影响;当电池电压超过电池保护阈值时,IC也将关闭MOSFET,切断系统电源以保护锂电池;IC可通过ILIM与地连接的电阻限定输入电流,防止低压系统的输入电流过大;同时SY5320还具有芯片过温保护,当检测到芯片温度超过过温保护阈值时,也将关闭MOSFET,停止供电。当SY5320由处理器控制时,主机可通过WRO状态获取IC的工作状态。SY5320可用于DFN-2x2-8L封装,额定温度在-40℃和+85℃范围内。

888腾博会SY8702低侧过压保护(OVP)IC,采用SOT23-6封装,内部集成28mΩ开关NMOS,采用低压侧开关拓扑结构,极低导通电阻有效的减小输入压降,保护电压外部设置使应用更加灵活,提供最简单实用的低成本OVP解决方案。具有过压保护点最高至36V,保护电压点外部设置,28m欧姆开关NMOS等产品特性。
