News Center
News Center

888腾博会半导体市场销售总监 王飞
10月30日至31日,由电子发烧友和慕尼黑华南电子展联合主办的以“智物联,新风向”为主题的2023第十届中国IoT大会在深圳国际会展中心圆满举行,本次大会旨在为各大应用市场更好地了解最新IoT创新技术带来的商机和挑战,更好地把握市场脉搏。其中,888腾博会半导体市场销售总监王飞受邀出席本届大会的可穿戴设备分论坛,为现场与会人士带来关于“888腾博会半导体智能穿戴低功耗电源解决方案”的演讲,包括分享智能手表发展的历程与功能演变,以及介绍基于智能手表对电源在更长续航、精准监测、稳定连接等方面的需求,888腾博会半导体可提供的更高效、更紧凑、更智能的智能穿戴产品电源解决方案。

Buck:
低功耗//低纹波//高效率//
优秀的动态响应
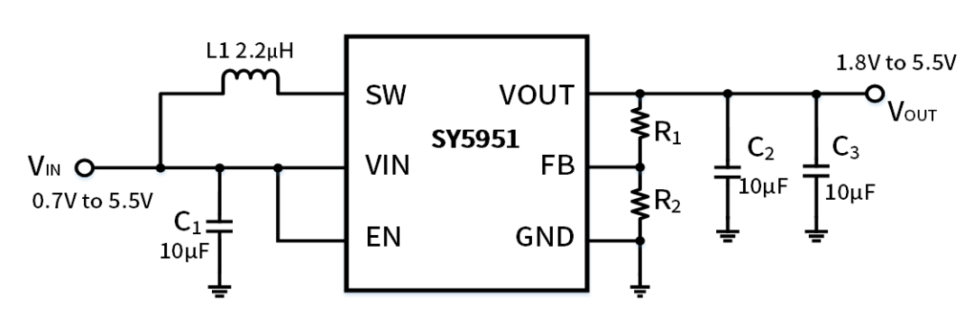
SY5111、SY5112
SY5111:6V,300mA 低功耗Buck
SY5112:6V,600mA 低功耗Buck
•2.15~6V 输入电压
•静态功耗低至200nA
•100uA负载效率高达90%
•轻载PFM模式
•输出电压可选
•输出放电模式
•WLCSP-8:1.7mm*0.9mm
•DFN2x2-8


Boost:
低功耗//低纹波//高效率//
优秀的动态响应
SY5951
超低功耗同步Boost
•0.7~5.5V 输入电压
•Vin:50nA静态电流
•峰值限流高至1A
•轻载PFM模式 输出电压可调,定压版本可选
•Shutdown模式下输出完全断开
•0.1mA负载效率高达90%
•10-300mA负载效率高达93%
•WLCSP-8:1.4mm*1mm
•DFN2x2-8

LDO:
低功耗//高PSRR//高精度
SY5002
5.5V,300mA低功耗LDO
•1.8~5.5V 输入电压
•静态功耗低至600nA
•Standby电流低至30nA
•1%输出电压精度
•固定输出电压版本
•PSRR:63dB @10mA,0.8V,1kHz
•输出自动放电功能
•Low dropout电压:196mV @3.3V,300mA
•DFN1x1-4
•SOT23-5

Load-switch:
低功耗//低阻抗//小封装//
部分应用需要输出防倒灌
SY5702
5.5V,2A,带RCP低功耗Load-switch
•1.2~5.5V 输入电压
•静态功耗低至250nA
•shutdown电流低至10nA
•43mohm内部阻抗
•输出电压防倒灌功能
•输出自动放电功能
•FOCSP4:0.76x0.76mm
•DFN1x1-4

SY5701
5.5V,1.5A,低功耗Load-switch
•1.2~5.5V 输入电压
•静态功耗低至15nA
•shutdown电流低至10nA
•66mohm内部阻抗
•输出自动放电功能
•FOCSP4:0.76x0.76mm
•DFN1x1-4

穿戴系统的充电管理:
低功耗,高精度等
SY6202
I2C,NVDC,1.5A Buck 开关充电
•耐压高达22V
•1.5MHz开关频率
•0.5%充电电压精度
•5%充电电流精度
•截止电流低至20mA
•1A充电效率高达92%
•内置远端电池采样
•内部参数I2C可调
•NVDC power path
•10.5uA stand-by电流
•Shipmode电流低至1.2uA
•CSP20-2x2mm

伴随人工智能、物联网等高新技术持续发展、消费者对电子终端的需求逐步增加,智能穿戴产品的功能将随之更加完善,芯片在其中发挥的核心作用也将更为重要,888腾博会半导体将会持续深耕智能穿戴产品市场,不断提升团队研发及创新实力,为全球客户带来更多优质的“芯”产品。
上一篇888腾博会半导体荣获“2023年国家知识产权优势企业”认定2023.12.14
下一篇888腾博会半导体SY8801获倍思Bowie WM02+采用,助其充电仓实现多样功能2023.10.25